Skills Page


Click on any skill to see more information.

Experience & Education

Experience

L3Harris Space & Sensors
August 2020 - Present
Space Avionics Electrical Engineering
Co-op

Overview

I am currently an Electrical Engineering Intern/Co-op at L3Harris Space & Sensors in Mason, OH. I have been working here continuously since August of 2020, alternating semesters of full-time work and part-time work (while I am taking classes). This continuity has allowed me to take on integral roles in several programs. During my time at L3Harris, I've performed most of my work as a design engineer (with designs across the digital, analog, and RF domains), but also fulfilled a test engineering role on one project, and well as, more recently, acting as the project engineer on an internal research and development (IRAD) program.

Through my work at L3Harris, I have gained a deep understanding of not only the technologies typical of space avionics systems, but also the processes and standards employed by the space industry. Having taken three programs through the full development cycle (from inception to CDR and beyond), and having worked on others for portions of the development cycle, I am highly familiar with what it takes to get a product into orbit.

Technologies and Technical Areas

  • Commercial component ruggedization
  • High energy-density, low impedance power systems
  • PNT/GPS systems and testing
  • Circuit design across all signal domains
  • Design strategies reducing need for radiation-hardened components
  • Worst case, stress/derating, and FMEA analyses
  • Space industry development process/life cycle
  • Vibration, pyrotechnic shock, thermal vacuum, and EMI testing

Tools and Programs

  • Siemens PADS and Siemens Xpedition
  • LTspice and PSpice
  • Solder and hot air rework
  • Mathematica and MATLAB
  • IBM DOORS

Awards & Recognition

  • Received 2021 corporate EWeek award
  • Presented at 2023 corporate IRAD sharing seminar
Centauri
May 2020 - August 2020
Digital Electrical Engineering Intern

Overview

While at Centauri, I supported the Trusted Microelectronics team as an Digital ELectrical Engineering Intern. During the internship, I designed interfaces between RISC-V processor SoCs and off-chip devices, as well as the corresponding verification infrastructure. I wrote bare-metal RISC-V processor programs, designed hardware with the Chisel3 HDL, and utilized Cadence tools such as the Xcelium Parallel Logic Simulator.

These SoC designs were then taped-out on the 14nm process. My time with Centauri allowed me to gain insight into the ASIC design process, as well as the growing use of open-source tools for HDL generation.

Technologies and Technical Areas

  • SoC ASIC design (digital portions)
  • SoC peripheral implementation
  • CHIPS Alliance SoC generation ecosystem

Tools and Programs

  • Cadence EDA Design Suite
  • Verilog design and verification
  • Scala and Chisel3 HDL generation library
  • Bare-metal C design and verification
  • LaTeX
John P. Tumlin & Sons, General Contractors
Jun 2014 - Aug 2019
Shop Manager

Overview

During my time at JPT, I managed the flow of invoices and paperwork from the field to the office, I operated machinery safely and efficiently, and I handled the gathering and distribution of materials and tools for field jobs to ensure timely project progress.

Education

University of Cincinnati
GPA: 3.85
Graduating: 2024
Pursuing Bachelor of Science in Electrical Engineering with minors in Mathematics and History. Coursework includes team-based projects, technical classes, and breadth of knowledge topics.
William Henry Harrison High School
GPA: 4.55
Graduated: 2019
Received honors diploma. Rigorous coursework included 12 AP classes and 5 courses of PLTW engineering, in which I learned many engineering-related skills.

University of Cincinnati

Seth Tumlin | UC Baldwin Quad Sunset

Major

Bachelor of Science in Electrical Engineering (BSEE)

Minors

Mathematics, History

Coursework

Spring 2023

  • Control Systems
  • Intro to Quantum Computing
  • Partial Diff. Eqns. & Fourier Analysis
  • Embedded System Design
  • Professional Practice Abroad
  • Mid-Curricular Co-op Reflection

Summer 2022

  • Electronics II
  • Electronics II Lab
  • Electromagnetics
  • Data Structures
  • Ordinary Differential Equations
  • Technical & Scientific Writing

Fall 2021

  • Electronics I
  • Electronics I Lab
  • Semiconductor Devices
  • Signals & Systems
  • Linear Algebra
  • Probability & Statistics I

Spring 2021

  • Network Analysis
  • Digital Design
  • EE Diff. Eqns. & Laplace Transforms
  • Multivariable Calculus
  • Semiconductor Physics

Spring 2020

  • Engineering Foundations II
  • Calculus Physics I
  • Calculus Physics I Lab
  • Calculus II
  • Intro to Programming
  • English Composition

Fall 2019

  • Engineering Foundations I
  • General Chemistry I
  • General Chemistry I Lab
  • Calculus I
  • Intro to EE & CompE
  • Intro to Co-op
  • Intro to Public Speaking

William Henry Harrison
High School

High School

Listed below are selected courses and/or tests that I completed in high school.

PLTW Engineering

  • Engineering Design & Development
  • Digital Electronics
  • Principles of Engineering
  • Intro to Engineering Design
  • Engineering Independent Study

Advanced Placement

  • AP Research
  • AP Physics I
  • AP Chemistry
  • AP Computer Science Principles
  • AP Environmental Science
  • AP Calculus AB
  • AP Statistics
  • AP Seminar
  • AP Human Geography
  • AP Government & Politics
  • AP United States History
  • AP World History

Skills

Click a skill for more information!
Below is a list of my skills and the time for which I have or had previously actively employed each skill.
High-Reliability Circuit Design 2 years
I have experience designing electronic circuits to operate in stringent environments with high reliability while maintaining a balance with performance and cost. These environments include radiation, temperature, humidity, mechanical stress, etc.
Solder & Hot Air Electronics Rework 9 years
I have experience fabricating electronic components and assemblies using conventional soldering, hot air soldering, and SMD/paste soldering. I have used this skill throughout the years for personal and work projects.
Circuit Reliability & Performance Analyses 3 years
I have experience with several types of circuit analyses including worst-case, stress/derating, FMEA/FMECA, radiation effects, and more. I have generated several reports for these types of analyses as well as built tools to streamline these analyses.
Wolfram Mathematica 4 years
I have extensive experience with Mathematica as an engineering computing program. I incorporate it (and tools I have developed within it) into my circuit design and analysis work over the years and use it as a tool to drive efficiency and accuracy in my design process. I am highly familiar with the functional and declarative nature of Mathematica and several of the native frameworks.
MATLAB 4 years
I’ve used MATLAB frequently for engineering computing, basic application development, and data processing. I have developed programs for statistics/modeling, image processing, control theory, and communication/signal processing projects, including one in which I processed data from an RTL software defined radio. I am familiar with and have used many MATLAB toolboxes.
Siemens Xpedition 3 years
I use Xpedition often as a schematic entry tool and have experience with creating both flat and hierarchical designs.
PSpice 3 years
I use PSpice as my primary circuit simulation tool and am familiar with several advanced tools such as sensitivity analysis, Monte Carlo simulation, etc.
LTspice 4 years
I use LTspice regularly as a circuit simulation tool for transient, bias point, and AC simulations.
Technical Writing 8 years
I have extensive experience with technical writing, from IEEE style academic reports, to test procedures, to circuit reliability reports. I enjoy writing, especially about technical topics for which I am passionate.
Multisim 6 years
I have long used Multisim as both a circuit simulation tool and a Boolean logic analysis tool. I am familiar with many of Multisim’s functions including the PLD design functions.
IBM Rational DOORS 1 year
I have experience working with DOORS requirements and specification modules in a requirements-driven design process.
Circuit Board Prototyping 8 years
I am well-versed in the design and manufacture of homemade, prototype-quality PCBs. I have used a few methods including acidic etching and mill engraving to produce several test boards for various projects.
Embedded Hardware & Software 7 years
I have experience with several embedded-type microcontrollers, including Arduino, PIC, and Raspberry Pi and have written software for these platforms using several languages, including C++, assembly, and Python. I’ve deployed these systems in various use cases, including one as early as in 8th grade—a high-altitude balloon metrology platform—and ones more recently, such as an internet-connected optoelectronic Christmas shadow box.
C/C++ 7 years
My experience with C++ started with its application to embedded systems and has since extended to include various other domains. My experience with C began in the development of bare-metal program development for SoC development. I’m very familiar with the fundamentals of these two programs, the object-oriented paradigm of C++, and more modern (e.g., C++17) concepts. I’ve worked with several associated tools, such as Clang, Make, etc.
Siemens PADS 3 years
I have used PADS on several occasions for schematic design and am familiar with working with large PADS libraries.
Verilog 3 years
I have used Verilog for several academic and work projects. I have knowledge of the principles of HDL design and verification, as well as experience with development for both FPGAs and ASICs.
3D Printing/Rapid Prototyping 7 years
I have experience with extrusion printing using MakerBot, Ultimaker, and LulzBot printers as well as stereolithography printing using Formlabs printers. I mainly use this skill for prototyping and fabricating items for personal projects. I also have much experience with other general rapid prototyping techniques which I have used for work and personal projects.
LabVIEW 7 years
I have been applying my knowledge of LabVIEW to various projects since my first year of high school. Originally learning the principles of LabVIEW in order to program an FRC robot, I have since employed this skill regularly—for example, serving as a primary beta tester for the 2017 Worchester Polytechnic Institute Robotics Library update. I am familiar with many control structures, several libraries, and the general LabVIEW programming paradigm. I have also created basic LabVIEW applications for controlling test equipment.
Microsoft Office/VBA 13 years
I have extensive experience with Word, Excel, PowerPoint, Visio, Publisher, Access, OneNote, and Teams. I have used the programs for several large projects, created macros using VBA, and am very experienced with specialized Excel functions.
Autodesk Fusion 360 CAD & CAM 5 years
Fusion 360 is my go-to mechanical CAD application. I’ve designed everything from simple brackets to be 3D printed all the way to entire system assemblies with defined CAM parameters and rendering definitions. I am familiar with all built in Fusion 360 CAD and CAM functionality.
Woodworking/Metalworking/Welding 7 years
have experience with many aspects of metalworking: machining, press brake operation, water jet cutting, casting, MIG and TIG welding, finishing, and more. I also am familiar with designing parts for production in aluminum; I have experience with choosing alloys and manufacturing-centric design. I have employed this knowledge often for prototyping projects. Similarly, I have a high familiarity with woodworking, including planing, jointing, turning, routing, etc.
Cadence ASIC EDA Suite 1 year
I have experience with using the Cadence ASIC EDA Suite to develop IP for SoC designs, especially the Xcelium and Simvision programs.
Chisel3/Scala 2 years
I have experience using Chisel3 (a Scala HDL generation library) in the design of SoC ASICs. I have knowledge of basic Chisel3 constructs as well as more sophisticated implementations in tools such as Rocket Chip.
Python 2 years
I have some experience with Python for embedded applications and engineering computing.
Autodesk Inventor CAD 4 years
I have used Inventor for some drafting projects, primarily before I began using Fusion 360.
CNC & Manual Machining 4 years
I have experience with CNC and manual control of mills and lathes. I can prepare work-holding, operate machines, and perform some G-Code editing. I have mostly worked with Intelitek machines. I have machined aluminum, mild steel, brass, wood, and engineered plastics for a variety of applications.
HTML/CSS 8 years
I initially learned the basics of HTML and CSS from a website in 8th grade; however, most of my experience with the languages is from building this website. I am familiar with almost all aspects of HTML 5 and CSS 3, as well as the basics of launching a website.
Autodesk EAGLE 4 years
I have experience using EAGLE to design schematics and PCBs for several personal projects.
Git/Version Control 3 years
I have experience with using command line Git to streamline my development process for personal software projects.
JavaScript/jQuery 3 years
I picked up JavaScript to create this website and have also made extensive use of the jQuery library. I am familiar with many of the web-related functions and methods. I can effectively manipulate CSS and HTML properties and use methods such as traversing.
Affinity Photo & Designer 5 years
I am proficient at designing/editing vectors and images in Affinity Photo and Affinity Designer. I have produced graphics for laser cutting, promotional posters, and more.
Laser Cutting & Engraving 6 years
I have experience with CO₂ and fiber CNC lasers. I have cut and engraved both wood and plastics, and I have engraved metal using laser etching compounds. I also have experience designing aluminum parts for industrial laser production.
LaTeX/Report Generation 7 years
I have used LaTeX for the generation of several document sets. I’ve also use several other document generation tools or document generation aid programs such as BibTeX, Zotero, and more.
Adobe Photoshop & Illustrator 2 years
I have some experience designing/editing vectors and images in Adobe Photoshop and Adobe Illustrator. I have mainly produced graphics for laser engraving.
Heavy Machinery Operation 5 years
I am certified to operate industrial forklifts and I have experience operating skid steers, tractors, lifts, and other heavy machinery in agricultural and industrial settings.

Rating Criteria

The following is the rating system I have devised to give a rough indication of my skill-level in various areas. It is partially based on the NIH Competencies Proficiency Scale.

Basic Knowledge
I'm just starting to learn these
Intermediate Knowledge and some applied use
I'm working on these to use in future projects
Intermediate knowledge and applied in a comprehensive project
I've used these in a project
Intermediate knowledge and applied in multiple comprehensive projects
I've found these to be very helpful in a number of projects
Extensive Knowledge and applied in multiple comprehensive projects
I'm always working to get even better at these

Involvement

Click an activity for more information!

College

CEAS Tribunal4 years
Chief of Staff, Treasurer, Treasurer Intern, Homecoming Parade Float Lead

CEAS Tribunal is the student government organization for the University of Cincinnati's College of Engineering and Applied Science. CEAS Tribunal organizes and independently funds several Marquee events and programs throughout the year. These events and programs serve to enrich CEAS students' time at the university and prepare them for success upon graduation. Programming includes the biannual university technical career fair, CEAS EXPO, the Innovation Challenge, Grad Fest, various social events, academic focus groups, and much more.

For the 2023-2024 academic year, I will begin by serving as Chief of Staff before transitioning to President in late fall. The Chief of Staff is responsible for several core functional units within CEAS Tribunal, as well as various auxiliary roles.

I was elected Tribunal Treasurer for 12 consecutive semesters. In the role, I managed a large budget and assisted Tribunal members with the transition to an online reimbursement form. The organization has significant expenditures throughout the year, and the position involved working with staff and students across the university.

I've led the production CEAS Tribunal's award-winning homecoming float for several years. This involved design of aesthetics and mechanical functions, coordinating work sessions, gathering float components, and the actual construction.

During my Freshman year, I participated in the Tribunal Internship Program. In this program, I served as the Treasurer Intern. This allowed me learn the weekly functions of the role and work with Tribunal committees to manage their budgets.

IEEE4 years
Student Member of IEEE and three IEEE societies

Student member of various societies within IEEE:

  • - Aerospace & Electronic Systems Society
  • - Antennas & Propagation Society
  • - Communications Society

I enjoy keeping up-to-date with my technical interests and IEEE happenings via institute and society publications

CubeCats2 years
LEOPARDSat-1 Power Team, Project Lykoi Communications Team Lead

I developed the system architecture and the initial revision of the power subsystem used on a 1U cubesat, LEOPARDSat-1. LEOPARDSat-1 aims to investigate the effectiveness of several materials on shielding ionizing radiation on orbit.

I led the Project Lykoi Communications team by managing all aspects of payload to ground communication for this high-altitude balloon project. This included managing the Communications team for the duration of the project and dealing with technical work such as antennas and radios.

Student Gov't Mentorship Program1 year
Mentee

Participated in a semester-long program in which I had a UC Student Government member as a mentor to learn more about the system and program.

Met with many Student Government members from various branches of the system to discuss their job and the function of their branch.

Lindsay + Dierking Campaign3 months
Campaign Team Member

I was selected to be on the campaign team for the successful Lindsay Dierking Student Body Presidential/Vice Presidential campaign. The role involved working campaign events, talking to potential voters, and more. It was a tremendous experience and it was even more rewarding when the results came in.

High School

FRC Robotics4 years
CEO, CFO, Head of Electrical & Programming Division, Drive Coach

I Planned and ran a 2018 summer robotics camp for kids entering grades 3-6 in area school districts. The camp was three days long and we had 95 participants.

I acted in the CEO position to oversee the progress of the robot, sponsor relationships, and other aspects of the team for my senior season. This was extra challenging, as our only engineering mentor had recently left. This meant I had to take on all of his responsibilities, technical and non-technical.

I acted as CFO my junior season. I was responsible for managing a budget of around $23,000.

I was the Head of Electrical and Programming Division all four of my seasons. This involved in-depth understanding of the control system and delegation of tasks.

Elected Class Officer4 years
Treasurer

I was elected Treasurer all four years and managed the class account.

I also acted as Head of the Homecoming Float team for my class all four years. We built the float at my house and I managed the design, construction, and logistics aspects of the project.

I also managed the pop/drinks sales at all home football games in 2017 to raise money for prom to make tickets cheaper. This included scheduling students to be at the stands and setup/teardown.

Planned and coordinated setup & ticket sales for formal coronation dance in 2018.

Designed the senior t-shirt.

4-H10 years
Treasurer for two clubs (Agrico and Junior Leaders), President of Agrico

Went to the Ohio Statehouse in 2019 to speak with legislators about funding for 4-H.

Worked at concession stands at Harvest Home Fair to raise money for 4-H.

Planned, setup, and worked at Junior Leader education zone at the 4-H fair. The education zone allows kids who are not familiar with agriculture to come and learn about food production and pet animals.

Served as an ambassador for group-day at the 4-H fair from 2014-2018. Demonstrated things such as sheep shearing, chick hatching, and bread baking to daycare groups that visited.

Exhibited various projects at the county and state level: sheep, poultry, pigs, breads, and more.

Student Council4 years
Various Committee Positions

I participated in the organization and promotion of a 2019 fundraiser for the Leukemia- Lymphoma Society for which we raised over $25,000 throughout the entire district.

I helped plan an annual daddy-daughter dance and mom-prom for elementary students in the community.

I planned and volunteered at freshman orientation at the high school.

Hamilton County Fair Board2 years
Representative

Designed many posters, ads, t-shirts, etc. for the fair.

I was in charge of installing the temporary electric for the tents every year at the fair.

Varsity Cross Country4 years
Team Captain

As team captain, I helped organize and participated in a Saturday practice in the 2018 season where we ran Miami Whitewater Park and picked up trash along the roads and paths.

While I was team captain, I helped organize the team at meets and encourage the team.

Ran on varsity for 4 years, constantly working to improve myself.

Homecoming Parade Committee4 years
Chairman

I was in charge of coordinating between the school and the city to apply for a parade permit, reserving parking for participants, managing group sign-up, managing traffic, etc. to ensure a memorable parade for the whole city.

Honor Society3 years
Tutor

I tutored students in various subjects before school.

Flag Club3 years
President

We designed a new flag for the City of Harrison which was adopted. We also design flags for other clubs and groups in the school. While I was president, we worked on flags for Crosby Township, Ohio and Bellevue, Kentucky.

The Harrison Flag Club is a member of the North American Vexillological Association (NAVA) and we designed an online starter-kit for new youth members of NAVA.

Spanish Honor Society3 years
Tutor

I tutored students in their Spanish studies before school.

Spanish Club4 years

I grew my Spanish skills through monthly meetings with the club.

Key Club3 years

Worked concessions at Minges/Weber Pumpkin Festival

Volunteered for various other activities such as making centerpieces for a church for thanksgiving, decorating school, etc.

About

Seth Tumlin

Hi,

I'm Seth Tumlin—a fourth-year Electrical Engineering student at the University of Cincinnati. I'm interested in many areas of the field, but most of my formal experience is in space avionics design.

Right now, this website is essentially an expansion of my resume, but in the future I intend to add more personal content on this page.

Portfolio

I'm still working on adding projects to this, so the lower projects are not yet clickable.

Seth Tumlin 2018 | FRC Robot

2018 FRC Robot

As a primary leader, I headed major management and design aspects of our award-winning, 125lb robot, Pegasus.

Seth Tumlin | Space Race

Space Race Project

I led a team in 8th grade that launched a high altitude balloon to around 110,000 feet while capturing weather metrics and images.

Seth Tumlin | Indoor Positioning System

IPS

I constructed an indoor positioning system (IPS) utilizing ZigBee transceivers to allow for more accurate location tracking in areas where GPS does not suffice.

Seth Tumlin | CubeCats Project Lykoi

CubeCats Project Lykoi

I was the Communications Team Lead for Project Lykoi, A near-space sensing and flight mission within CubeCats.

Seth Tumlin | ENED Robot

Fall 2019 ENED

I was my team's leader for my first-year engineering class at UC. I implemented control techniques and 3D printing to improve our main project.

Seth Tumlin | Academic Paper

IPS Academic Paper

I wrote an IEEE style academic paper based on research I performed using the indoor positioning system (IPS) I constructed.

Seth Tumlin | 2019 FRC Robot

2019 FRC Robot

As CEO of the robotics team, I facilitated the team's technical and management operations.

Seth Tumlin | Website

Spring 2020 ENED

In part two of UC's first-year engineering course series, I was able to use MATLAB, CAD programs, and more to complete various projects.

Seth Tumlin | Website

Personal Website

You've already seen this! This was my first major web development project. I utilized HTML, CSS, and jQuery to build this site (no drag-and-drop tools, etc.).

Seth Tumlin | 2017 FRC Robot

2016 & 2017 FRC Robots

Both of these years, I acted as the only programmer and robot electrician. I had to learn the skills on my own.

Seth Tumlin | Workbench

Electronics Workbench

I built a workbench in my closet out of scrap-wood in 2016. Since then I have worked on numerous projects on it – some of them in this portfolio.

Seth Tumlin | Laser Engraved Maps

Wooden City Maps

I designed these maps using OpenStreetMap and vector editing software and then laser engraved them to make Christmas gifts.

Seth Tumlin | Posters

Hamilton County 4-H Fair Ads

While on the Hamilton County 4-H Fair Board, I designed many advertisements for the fair, primarily with Affinity software.

Seth Tumlin | LabVIEW Beta Testing

2017 LabVIEW Beta Testing

I was selected in 2017 to beta test a set of robotics libraries for LabVIEW, along with a new brushless motor for use in robotics.

Seth Tumlin | Floats

Homecoming Floats

Throughout high school and college, I have led the design/construction of numerous homecoming floats. It's always a fun way to put some engineering skills to work.

Seth Tumlin | FRC Controls

FRC Controls

I built a new control case for my FRC team to use with the robot. It includes input devices, as well as means for driver feedback from the robot.

Seth Tumlin | CAD

CAD Repo

This is a CAD repository I am working on putting together with some of my favorite work. Most was made in Fusion 360. It includes assemblies parts, and renderings.

Seth Tumlin | Holder

More to come...

Fall 2019 ENED

Overview

UC's first-year engineering course consists of various individual and team projects. I acted as the project manager for my team for the first semester of the course series. As a team we worked on two large projects and many small projects. As for individual work, I completed various miniature projects during class. Our main project (a walking robot that sorts recycling materials) earned the highest score out of the entire first-year engineering population.

LabVIEW

LabVIEW was one of the main curriculum elements of the course. It was used throughout the course, notably in the main robot project, for which I was the main programmer. In that project, I implemented various control techniques including a proportional loop control based on a floating setpoint to keep both legs in sync. For the miniature projects throughout the course, I implemented sequential, conditional, and repetitive programming to create algorithms and problem solving programs.

Team/Project Management

Seth Tumlin | 3D Printed Robot

3D printed white legs and red facade are visible here

Being the Project Manager for my team, I was responsible for writeups that analyzed the team and our products, preparing a presentation on our robot design, interfacing with the teaching staff, creating project management materials (Gantt charts, role descriptions, etc.), and more. This was an especially big job for the robot project, as a lot of managerial paperwork was required.

3D Printing

3D printing was not an official part of the course; however, 3D printing was allowed for the main robot project. For my team, I produced a set of legs for our robot that allowed us to be one of the only teams that stepped over the large obstacles. Additionally, I produced facade elements for the aesthetic component of our score.

Microsoft Office

Excel was a main curriculum component of the class. I was able to expand my Excel skills and apply them to solving engineering problems.

I also used Word and PowerPoint to produce reports and presentations.

Supporting Content

A video of the robot walking
The design presentation I prepared
The management report I prepared
The notebook that we worked on throughout the project

2018 FRC Robot

Overview

Throughout high school, I was part of FRC team 4521. 2018 was our best season ever, including 3rd place in the region and a trip to the world championships. At its most basic level, FRC consists of thousands of teams that are given 6 weeks to build a robot that competes in a sport-like game against the other robots. In 2018, I was the Head of Programming & Electrical Division, Drive Coach, and CFO. I also lead the development of some mechanical subsystems including the two-stage elevator.

LabVIEW

As Head of Electrical & Programming Division, I was responsible for developing the majority of the robots code in LabVIEW. Our 2018 robot had more sensors than ever, so I worked to make many functions of the robot autonomous; this allowed the drive team to effortlessly control the robot. I implemented control states to allow the robot to react to changing sensor input.

Team/Project Management

As the CFO, I was responsible for keeping the project on budget, ordering parts, dealing with purchase orders, meeting with potential sponsors, and more. Our season budget was over $23,000, which included registration, travel to 4 events (Dayton, Columbus, Pittsburgh, and Detroit), and materials/parts.

Aluminum Metalwork

Leading some subsystems in 2018, I was able to become more familiar with new aspects of aluminum metalwork. We used a T-slotted framing system for prototyping and building the two-stage elevator. We chose this to allow us to easily achieve smooth linear actuation. I also gained experience with aluminum finishes – we powder coated our robot to increase aesthetic appeal. Additionally, I produced some basic aluminum parts through manual milling.

Fusion 360 CAD/CAM

The team used Fusion 360 throughout the season plan the robot and to design parts for manufacture. I was able to design systems around real-world components (e.g. from McMaster-Carr). I also produced G-Code for machining parts using Fusion's CAM engine.

CNC Machining

There were a few instances where our machining team was not available. During those times I operated our CNC mill and lathe to ensure we were on schedule. I mostly machined aluminum and engineered plastics such as Delrin.

Technical Writing & Microsoft Office

As CFO, I used Excel to organize our budget.

During the competition, judges come to teams to talk about their design. For the team, I produced a "Technical Handbook" in Word which recorded our design process and explained our systems. It can be found below.

3D Printing

Seth Tumlin | FRC 4521 Robot Acquisition

A Fusion 360 rendering I produced, including the 3D printed gear model

Partway through the competition season, we began having trouble with our acquisition system. We redesigned the acquisition; however, we did not have the proper gears for it on-hand, and we had no time to order them. A few of us on the team quickly came up with a plan to 3D print the gears. We assumed that they would break quickly since they were plastic; however, by the end of the season, they showed no signs of failure and worked great.

I also designed and printed various sensor mounts to be placed on the robot.

Supporting Content

The Technical Handbook I prepared
A video of one of our matches at the world championships (our robot is 4521)
A video of the robot during the build season with its old acquisition

Space Race Project

Overview

In 8th grade, I led a team of students to build and launch a high altitude balloon. I managed the project by splitting up the team into flight systems and electronics sub-teams. I did the electronics and managed ordering parts, so I became familiarized with purchase orders. For the electronics, we included 3 cameras that we modified with CHDK to take timelapses and an Arduino I programmed and wired to various sensors, including a GPS. The balloon rose to around 110,000 feet and collected images, location data, temperature, humidity, light luminosity, and more. The Balloon was launched from west of Cincinnati and landed on a farm near the Ohio-West Virginia border.

Team/Project Management

I broke the team up into electronics (which I managed) and flight systems sub-team. The flight systems team was responsible for the payload box and the parachute. Their main challenge was the parachute, so at the beginning of the project we met and decided what criteria the parachute must meet the be successful. I checked in on their progress over the weeks until we had a working system.

My junior school funded the project, so I also managed submitting purchase orders for parts throughout the process.

Arduino

Seth Tumlin | Space Race Capsule

The payload

This was my first experience using Arduino. I programmed an Arduino Uno to read from various weather sensors and a GPS, then write this data to an SD card. I did all of the wiring and programming. In addition to the aforementioned sensors, I also placed limit switches on the bottom of the payload that would stop sensor collection upon landing as to not fill up the SD card.

Supporting Content

Seth Tumlin | Space Race Image Harrison

An image from one of our cameras with our "back-up thermometer"

Seth Tumlin | Space Race Haarrison Press Newspaper

Our project was featured in the local paper

CubeCats Project Lykoi

Overview

Project Lykoi was a mission that aimed to send a glider to around 19 miles above sea-level, release the glider, and then guide it as it fell towards the earth. It was part of CATiSE—a program within CubeCats intended to train first-year students before they move onto the cubesat portion of the club. I was the Team Lead for the Communications team. My role in the team involved project management, COTS SDR development, antenna design, and more. The launch was originally planned for the end of the Spring 2020 semester; however, campus lockdown restrictions delayed the project, and it was later passed on to the next year's CATiSE class.

Team/Project Management

As Team Lead, I managed around a dozen other students. My team was charged with all communication-related aspects of the mission. I led the team as we produced design deliverables, fabricated parts, and defined system architecture. I employed use of design techniques such as trade studies, strawman architecture plans, etc. I also spent a significant amount of time interfacing with the other sub-teams to ensure that our systems could be properly integrated.

Wireless Communication

As can be imagined, this was a very important skill for the Communications Team. We dealt extensively with software defined radios (SDRs), the APRS protocol, antennas, and more. Our final architecture used APRS (a packet reporting protocol used on an amateur radio band) for the primary ground-payload communication. We also designed a system that would have allowed us to extract the data from the payload in the scenario that we were able to get close to it on the ground but could not physically access it (e.g. if it lands in a tree).

Arduino

We were using an Arduino as our on-board microcontroller. We were programming the Arduino to collect sensor and GPS data, format it, and pass it off to the radio.

Supporting Content

Project Site

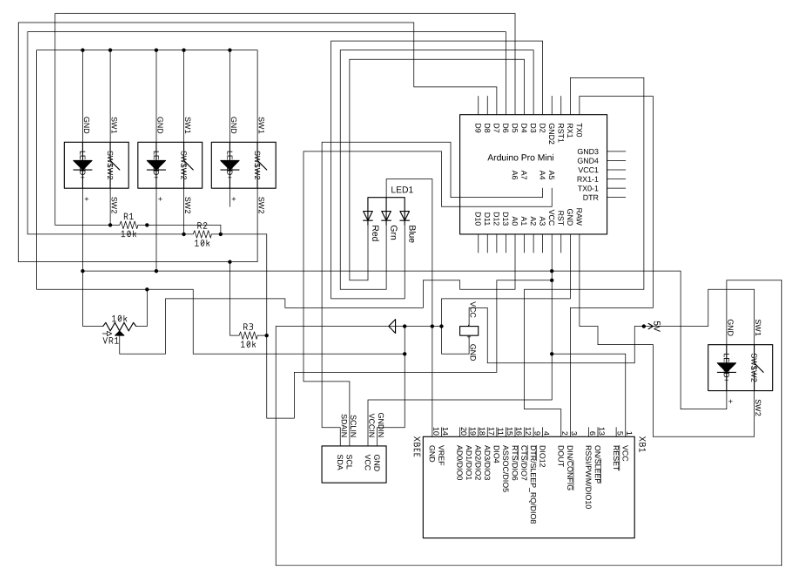
Indoor Positioning System

Overview

I built an indoor positioning system (IPS) as a capstone project at my high school. It acts as an indoor replacement for GPS, which does not work well when obstructed by walls and ceilings. The system uses the Zigbee protocol to send signals between the main receiver module and transmitters placed throughout the area. The system then takes the received signal strength indicators (RSSIs) and uses them to triangulate its location. I also used this project in my IPS research project.

EAGLE Electrical CAD

I was able to apply my EAGLE skills in all stages of this project. I used EAGLE to design my original schematics for the modules. Later in the process, I used EAGLE to design circuit boards that I could then produce to use in the IPS. A schematic I produced in the program is shown below.

PCB Design/Manufacture

Later into the prototyping process, I designed PCBs in EAGLE and then produced them in-house. I used heat-transfer paper to to transfer a negative image on copper-clad boards. I then used ferric chloride to etch the exposed copper. After this, I ran drilling operations on a 3-axis mill using micro drill bits to clear component through holes.

Wireless Communication Electronics

Since the system was premised upon the use of wireless signals, I utilized quite a few wireless technologies in my testing phase. I ultimately landed on ZigBee, but I also tested out Wi-Fi, Bluetooth, and 915MHz ISM transceivers. I was able to become familiar with the features, strengths, and weaknesses of these various technologies.

Arduino

I used Arduino as my main microprocessor and programming software. I used the Arduinos to parse data from the transceivers and then process it. The Arduino on the main receiver also drove the LCD display that output the calculated position to the user.

CNC Machining

Seth Tumlin | IPS G-Code Drilling Operation for PCB

Simulation of the drilling operation I used on my PCBs

I used a 3-axis mill for two main parts of this project. Primarily, I used it for drilling operations on the circuit boards I manufactured. However, I also used it on the box holding the main receiver. I ran machining operations to create holes for the buttons in the acrylic top of the case.

Supporting Content

Seth Tumlin | IPS Presentation

Me presenting my work to the school board

Seth Tumlin | IPS Schematic

A schematic of one of my early prototypes

IPS Research Paper

Overview

Based on my Indoor Positioning System (IPS) project, I performed research on its accuracy and precision vs. traditional GPS indoors for my AP Research class. I designed testing procedures, implemented them, collected the data, analyzed it, and aggregated it all in an IEEE academic style paper.

Technical Writing

This skill was the basis of this project. I used this project to learn the basics of technical writing; from word choice to formatting. I was able to have the paper reviewed by industry professionals that write technically on a daily basis.

Microsoft Office

Not only was I able to use Word and PowerPoint for the paper and presentation components of this project, I also utilized Excel to store and analyze data I collected from my trials. Excel served as my main modeling tool for this project.

LaTeX

I am currently learning more about the formatting methods of LaTeX by recasting this paper in the language.

Supporting Content

The research paper
The presentation

Personal Website

Overview

I made this website as a portfolio for my work, projects, and more. It acts as a digital compliment to my physical resume. I keep it updated as regularly as possible and try to achieve a clean, polished design.

HTML/CSS

I had some experience with HTML and CSS prior to this project; however, most of my experience with these markup languages has been during the process of building this website. Everything I know about them has been picked up through practical experience and learning by trial and error.

JavaScript/jQuery

I used JavaScript with jQuery for all of the scripting on this website. Like HTML and CSS, I learned this language/library combo mostly for this project and exclusively from practice.

2019 FRC Robot

Overview

My high school's FRC robotics team, team 4521, is part of the national FRC competition, which includes thousands of teams that are given 6 weeks to build a robot that competes in a sport-like game against the other robots. In 2019, I was the CEO of the team, Head of Programming & Electrical Division, and the Drive Coach. As CEO, I had to be extremely involved in the technical and managerial aspects of the robot/team. This was especially difficult since our only technical mentor had just left. I worked with parent volunteers and new mentors to make sure that we had a successful season despite this.

Team/Project Management

As mentioned earlier, our 2019 season was unlike any previous season. As CEO I was responsible for informing the new mentors on season timelines, fees, fundraising, and more. Most of the students were new to the team as well, because many of our members had graduated the previous year. Before the season, I worked to ensure we had the proper students in the proper leadership roles on the the team. During the season, I was responsible for coordinating work sessions, assigning duties, and working on robot design/fabrication directly.

Fusion 360 CAD/CAM

With the CEO being the de-facto head of design, I spent much of the early season in Fusion 360. I used it to review, markup, and integrate member's designs, as well as perform quite a bit of design work myself.

Additionally, I used the Fusion CAM engine to create machining programs for various parts.

LabVIEW

As I still held my role as Head of Electrical & Programming Division, I was responsible for developing much of the program for the robot in LabVIEW. This season, I also had the responsibility of training students to take over the role the next year since I would be graduating.

CNC Machining

I spent a considerable amount of my time this season machining robot parts on our teams mill and lathe. I mostly worked on aluminum, but also machined a few parts from nylon, such as the elevator pulleys.

Aluminum Metalwork

The previous year, we had used T-slotted framing for most of our robot; however, this year, we wanted to cut down on weight by using raw aluminum extrusions. This meant I spent a lot of time cutting, grinding, and bolting aluminum for the robot. We also used sheet aluminum which we manufactured with laser cutters, press brakes, and water jet cutters at local shops.

Soldering

We had decided to build a robot with a very tall lift mechanism (about 8 feet when fully extended) early in our design process. One of the biggest issues with this is the difficulty of routing sensor lines to the chassis where the microcontroller is. To deal with this, I created a custom wire harness that coiled/uncoiled and slid along the lift tension cables. This harness carried various PWM lines for position and limit sensors, as well as a line for the camera, which was mounted on the innermost stage of the lift.

Technical Writing & Microsoft Office

I prepared a technical manual to show judges at the competition. It documented the mechanical aspects of the robot and I created it in Microsoft Word.

Supporting Content

The Technical Guide I prepared for the mechanical components of the robot
A video of one of our matches at the Cleveland regional competition (our robot is 4521)

Spring 2020 ENED

Overview

This class is the second in the two-course first-year engineering series at UC. This course, like the first course, relies heavily upon individual and team projects. I served as the project manager for my team as we navigated three projects and, near the end, adapted to the remote format. The course introduced the basics of Chemical, Mechanical, and Electrical Engineering (material/energy accounting, stress analysis, circuit analysis, and more) as well as general tools such as Python, MATLAB, VBA, and statistical methods. Because of the remote transition, the course also included CAD in lieu of physically building robots.

MATLAB

This was my first exposure to MATLAB. In the class, we used the language for many projects in the areas of image processing, statistical analysis, spatial simulation, and others.

The first project that we used MATLAB for was the Academic Poster Presentation. In this project, my team had to choose a topic from the Engineering Grand challenges and use computational statistics to create a model demonstrating why the problem is important. My team chose "provide energy from fusion." We used MATLAB to create models which I organized into various formats (which can be found below). I created the "Current State of Generation Technology" and "Research in Areas Vital to the Development of Nuclear Fusion" models, and assisted my teammates in creating the other models.

The second project that involved MATLAB was the robot project. Once the project was made "virtual," part of it was to create a simulation of the robot's function—I did this using MATLAB. The project required that the robot moved around a warehouse, scanned box "barcodes" (which were represented in a MATLAB array), picked up the proper boxes, and returned them to a specified location (while avoiding obstacles). A video demonstrating the program is available below.

Technical Writing

Seth Tumlin | 3D Printed Robot

3D printed white legs and red facade are visible here

Being the Project Manager for my team, I was responsible for many of the documents demonstrating the team's work. Many of these were management reports, but I also wrote instruction manuals and research papers, all of which can be found below.

VBA/Microsoft Office

Visual Basic for Applications (VBA) was one of the main components of the course curriculum. We learned the basics of the language as well as how to apply it to Office macros and Excel functions. I was able to use the language to simplify the statistical analysis of large data sets.

Python

In the class, we learned Python through various miniature projects. Later in the semester, I used Python to program my team's robot. This continued until the closure of campus meant that the physical robot project was no longer possible.

Fusion 360

Fusion 360—or any CAD program, for that matter—was not a part of the course's curriculum. However, after the physical robot project was canceled due to the closure of campus, we were tasked with creating a "virtual robot." This included two parts, one of which was to create a robot design via drawing, CAD, etc. I created a robot model using Fusion 360. The renderings of the models can be seen below.

Before the project became virtual, I designed a few parts using Fusion 360 to be laser-cut/3D printed for the robot we were building.

Team/Project Management

Serving as Project Manager for my team, we completed three projects; a simple timer using engineering principles, a statistical modeling and research project that culminated in an academic poster presentation, and a robot project (which later became virtual). During these projects, my responsibilities included organizing meetings, documentation, and more. Serving in this role was especially difficult during the remote portion of the semester.

Affinity Designer

Presentation and quality were always part of the class's grading system. Because of this, I used Designer to create good-looking papers/posters. The two main examples of this were the timer instruction manual and the academic poster (both of which can be found below).

Laser Cutting

Seth Tumlin | 3D Printed Robot

3D printed white legs and red facade are visible here

Before the robot project became virtual, the team was having trouble building arms for the robot with only LEGO pieces. The project allowed us to use any pieces that we 3D printed or laser-cut in addition to the LEGOs. I designed arm pieces in Fusion 360 and laser-cut them out of 5/8" cast acrylic sheets. They worked excellently for the purpose and looked great too.

Supporting Content

A video of the robot walking
Repository of LabVIEW, Python, & Excel I produced during the course
The design presentation I prepared
The management report I prepared
The notebook that we worked on throughout the project

Elements

Text

This is bold and this is strong. This is italic and this is emphasized. This is superscript text and this is subscript text. This is underlined and this is code: for (;;) { ... }. Finally, this is a link.


Heading Level 2

Heading Level 3

Heading Level 4

Heading Level 5
Heading Level 6

Blockquote

Fringilla nisl. Donec accumsan interdum nisi, quis tincidunt felis sagittis eget tempus euismod. Vestibulum ante ipsum primis in faucibus vestibulum. Blandit adipiscing eu felis iaculis volutpat ac adipiscing accumsan faucibus. Vestibulum ante ipsum primis in faucibus lorem ipsum dolor sit amet nullam adipiscing eu felis.

Preformatted

i = 0;

while (!deck.isInOrder()) {
    print 'Iteration ' + i;
    deck.shuffle();
    i++;
}

print 'It took ' + i + ' iterations to sort the deck.';

Lists

Unordered

  • Dolor pulvinar etiam.
  • Sagittis adipiscing.
  • Felis enim feugiat.

Alternate

  • Dolor pulvinar etiam.
  • Sagittis adipiscing.
  • Felis enim feugiat.

Ordered

  1. Dolor pulvinar etiam.
  2. Etiam vel felis viverra.
  3. Felis enim feugiat.
  4. Dolor pulvinar etiam.
  5. Etiam vel felis lorem.
  6. Felis enim et feugiat.

Icons

Actions

Table

Default

Name Description Price
Item One Ante turpis integer aliquet porttitor. 29.99
Item Two Vis ac commodo adipiscing arcu aliquet. 19.99
Item Three Morbi faucibus arcu accumsan lorem. 29.99
Item Four Vitae integer tempus condimentum. 19.99
Item Five Ante turpis integer aliquet porttitor. 29.99
100.00

Alternate

Name Description Price
Item One Ante turpis integer aliquet porttitor. 29.99
Item Two Vis ac commodo adipiscing arcu aliquet. 19.99
Item Three Morbi faucibus arcu accumsan lorem. 29.99
Item Four Vitae integer tempus condimentum. 19.99
Item Five Ante turpis integer aliquet porttitor. 29.99
100.00

Buttons

  • Disabled
  • Disabled

Form